主營產品
設計與選型
- 愛普生IMU產品M-G370PDT、M-G370PDG、M-G366PDG、M-G330PDG選型與應用介紹
- ADAS 智能駕駛域控制器配套使用的愛普生晶振和RTC型號推薦
- 愛普生SGPM01、SGPM02和SGPM61模塊在機器人和自動化設備中的應用
- 愛普生HUD矯正芯片:S2D13V40與S2D13V42的性能特點與功能差異分析
- 愛普生單軸陀螺儀XV7181BB、XV7021BB、XV7081BB、XV7011BB和XV7001BB選型
- 愛普生HUD芯片+晶體晶振+陀螺儀的整體方案對于HUD的巨大作用
- 愛普生低阻抗32.768kHz晶體明星產品介紹
- 愛普生單片機S1C17系列/ S1C31系列:賦能多領域智能化發展
- 哪些愛普生TCXO溫補晶振適用于GNSS定位模組領域?
愛普生晶體MA-306,MA-406,MA-505,MA-506,CA-301停產與推薦替代型號
2020年3月,南山電子接到愛普生晶振事業部的一封郵件通知,內容是愛普生晶體MA-306,MA-406,MA-505,MA-506,CA-301即將停產。郵件的原文大致如下:
模具型/圓筒型MHz射程晶體單元下線通知單
MA-306,MA-406,MA-505,MA-506,CA-301這些產品尺寸很清晰展現在大家面前,并且隨著近年來,市場的需求變少,愛普生馬來西亞工廠的部分生產設備也逐漸老化,官方建議是雖然不兼容管腳,但請考慮更換為FA-238 FA-238V FA-20H FA-128,我們再來看看這些替換的愛普生晶體產品,愛普生晶體諧振器的兩款3225四腳貼片晶振FA-238與FA-238V合并著一起,無縫覆蓋了無源晶振常用的12MHz~60MHz頻段,尺寸3.2×2.5×0.7mm,FA-20H是愛普生無源晶振SMD2520貼片晶振的主力型號,尺寸2.5×2.0×0.55mm,主要用于移動電話,藍牙,業內用藍牙晶振、時鐘晶振這種詞稱呼這類小尺寸貼片晶振,FA-128是超小尺寸2016貼片時鐘晶振。外部尺寸只有2.0*1.6mm,厚度0.5mm。通過運用在音叉型晶體的生產中具備了30年以上實際經驗的「光刻」工藝以及 印刷蝕刻工藝,達到了小型化的蝕刻型晶體在如此小的外部尺寸下保證該晶振具有可靠的頻率精度、良好的溫度特性、較小的串聯電阻。該晶振的價格也非常親民,所以說相形見絀,MA-306,MA-406,MA-505,MA-506,CA-301淘汰是注定的,工程師可以根據具體情況選擇這些小尺寸晶振替換,作為愛普生晶振在中國大陸地區選擇的兩家國內樣品倉庫之一,南山電子現擁有近千種現貨庫存,*一時間為客戶提供小批量樣品快速發貨服務,南山電子還提供其他各種型號有源晶振和無源晶振,時鐘芯片,溫控壓控晶振等,歡迎各位新老顧客來電垂詢,或者直接到我們某寶店——南山E店直接購買。
模具型/圓筒型MHz射程晶體單元下線通知單
感謝您選擇精工愛普生公司為您的產品。愛普生一直致力于提高我們產品的性能、交付和靈活性。
我們想通知你方,我們將按如下方式停止生產這些產品。
受影響產品:模具型/圓筒型兆赫射程晶體單元
品名 零件號
MA-306 Q22MA3061xxxx xx系列
Q22MA3062xxxx xx系列
MA-406 Q22MA4061xxxx xx系列
Q22MA4062xxxx xx系列
MA-505 Q22MA5051xxxx xx/Q22MA5061xxxx xx
MA-506 Q22MA5052xxxx xx/Q22MA5062xxxx xx
CA-301 Q21CA3011xxxx xx系列
推薦的替代模型
雖然不兼容管腳,但請考慮更換為FA-238 FA-238V FA-20H FA-128
沒有頻率范圍(4.0000MHz或更高,小于12.0000MHz)的替代品。
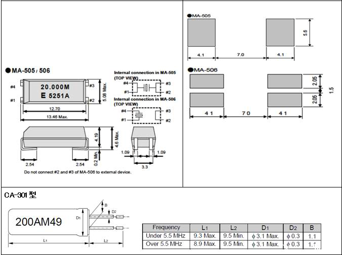
其實對于MA-306,MA-406,MA-505,MA-506,CA-301的停產消息,實屬意料之中的,隨著社會的不斷發展,市場對于元器件的要求也越來越高,小型化,高精度高穩定化是元器件發展的趨勢,而MA-306,MA-406,MA-505,MA-506,CA-301這幾顆料,雖然在當年才推出時轟動一時,風靡市場,但是依然逃不過時代的巨輪,主要原因是尺寸問題,如下圖所示可以:


其實對于MA-306,MA-406,MA-505,MA-506,CA-301的停產消息,實屬意料之中的,隨著社會的不斷發展,市場對于元器件的要求也越來越高,小型化,高精度高穩定化是元器件發展的趨勢,而MA-306,MA-406,MA-505,MA-506,CA-301這幾顆料,雖然在當年才推出時轟動一時,風靡市場,但是依然逃不過時代的巨輪,主要原因是尺寸問題,如下圖所示可以:


MA-306,MA-406,MA-505,MA-506,CA-301這些產品尺寸很清晰展現在大家面前,并且隨著近年來,市場的需求變少,愛普生馬來西亞工廠的部分生產設備也逐漸老化,官方建議是雖然不兼容管腳,但請考慮更換為FA-238 FA-238V FA-20H FA-128,我們再來看看這些替換的愛普生晶體產品,愛普生晶體諧振器的兩款3225四腳貼片晶振FA-238與FA-238V合并著一起,無縫覆蓋了無源晶振常用的12MHz~60MHz頻段,尺寸3.2×2.5×0.7mm,FA-20H是愛普生無源晶振SMD2520貼片晶振的主力型號,尺寸2.5×2.0×0.55mm,主要用于移動電話,藍牙,業內用藍牙晶振、時鐘晶振這種詞稱呼這類小尺寸貼片晶振,FA-128是超小尺寸2016貼片時鐘晶振。外部尺寸只有2.0*1.6mm,厚度0.5mm。通過運用在音叉型晶體的生產中具備了30年以上實際經驗的「光刻」工藝以及 印刷蝕刻工藝,達到了小型化的蝕刻型晶體在如此小的外部尺寸下保證該晶振具有可靠的頻率精度、良好的溫度特性、較小的串聯電阻。該晶振的價格也非常親民,所以說相形見絀,MA-306,MA-406,MA-505,MA-506,CA-301淘汰是注定的,工程師可以根據具體情況選擇這些小尺寸晶振替換,作為愛普生晶振在中國大陸地區選擇的兩家國內樣品倉庫之一,南山電子現擁有近千種現貨庫存,*一時間為客戶提供小批量樣品快速發貨服務,南山電子還提供其他各種型號有源晶振和無源晶振,時鐘芯片,溫控壓控晶振等,歡迎各位新老顧客來電垂詢,或者直接到我們某寶店——南山E店直接購買。
- 上一篇:TG-5006CJ,TG-5006CG,TG-5006CE
- 下一篇:MEMS陀螺儀
新聞公告
-
2025-02-27愛普生晶振MC-146,FC-135部分物料
-
2024-12-27EPSON-NSCN晶體電路評估聯合測試中
-
2024-02-03愛普生三軸加速度計傳感器HGPM01可
-
2024-01-23應用于泳池機器人的慣性導航高性能
-
2023-12-20愛普生三軸加速度傳感器M-A352AD10
-
2021-04-22愛普生發布全新TCXO溫補晶振TG5032


466009906